發布日期:2022-12-24 21:17 瀏覽次數:
本標準規定了粉塵層最低著火溫度測定的試樣、試驗裝置、測定步驟和測定結果表述。
本標準適用于依賴空氣中的氧維持其氧化反應的可燃性粉塵。
本標準不適用于火炸藥或不依賴空氣中的氧即可燃燒爆炸的物質。
下列文件對于本文件的應用是必不可少的。凡是注日期的引用文件,僅注日期的版本適用于本文件。凡是不注日期的引用文件,其最新版本(包括所有的修改單)適用于本文件。
GB/T 15604 粉塵防爆術語
GB/T 15604中界定的以及下列術語和定義適用于本文件。
3.1
粉塵層著火 ignition of dust layer
受試粉塵層發生無焰燃燒或有焰燃燒,或其溫度達450℃及以上,或其溫升達到或超過熱表面溫度250℃時的狀態。
3.2
粉塵層最低著火溫度 minimum ignition temperature of dust layer
在熱表面上規定厚度的粉塵層著火時熱表面的最低溫度。
注:粉塵存在于多種工藝中,粉塵層著火取決于實際的工況,本標準不一定能代表所有工藝工況,例如粉塵層厚度和環境溫度分布等因素。
3.3
著火時間 ignition time
從粉塵開始被加熱到達到最高溫度或者出現著火的時間。
粉塵試樣應制成均質的,并具有代表性。粉塵試樣應能通過標稱孔徑75μm的金屬網或方孔板試驗篩。如果需要用較粗的粉塵進行試驗,可通過標稱孔徑高達500μm的試驗篩,并應在試驗報告中說明試驗篩篩孔尺寸。
在試樣制備過程中,粉塵性質的任何明顯的變化都應在試驗報告中說明,例如篩分或溫度、濕度引起的變化。
5.1 結構
試驗裝置如圖1所示。其主要結構的說明見附錄A。

說明:
1——彈簧;
2——熱電偶高度調節旋鈕;
3——加熱器底座;
4——熱表面記錄熱電偶;
5——熱表面;
6——加熱器;
7——金屬環;
8——裙邊;
9——熱表面控制熱電偶;
10——加熱器引出線;
11——粉塵層熱電偶。
圖1 試驗裝置示意圖
5.2 熱表面
5.2.1 熱表面由直徑不小于200mm、厚度不小于20mm的圓形金屬平板制成。平板由電加熱器加熱,并由安裝在平板內靠近平板中心的熱電偶控制溫度。熱表面控制熱電偶的接點在平板表面下(1±0.5)mm處,并與平板保持良好的熱接觸。
熱表面記錄熱電偶以相同方法安裝在熱表面控制熱電偶附近,并與溫度記錄儀相連,用以記錄試驗過程中的平板溫度。
5.2.2 熱表面和控制裝置應滿足以下性能要求:
a)無粉塵時,平板能達到400℃的最高溫度。
b)試驗期間,平板溫度應保持恒定,其偏差在±5℃的范圍內。
c) 平板溫度達到恒定值后,整個平板溫度分布應均勻。在平板設定溫度為200℃和350℃時,按附錄B的方法所測兩正交直徑上各設定點的溫度,其偏差不應超過±5℃。
d) 溫度控制裝置應能保證平板溫度在放置粉塵期間的變化不超過±5℃,從放置粉塵開始5min內應恢復到初始溫度值的±2℃范圍內。
5.3 粉塵層熱電偶
將鉻鋁或其他材料的熱電偶細絲(直徑0.20mm~0.25mm)跨過平板上空拉緊,且平行于熱表面,其接點處于熱表面上2mm~3mm高的平板中心處,此熱電偶應與溫度記錄儀相連,以記錄試驗期間粉塵層溫度。
5.4 溫度測量裝置
溫度測量裝置應定期校準,其準確度應達到±3℃。
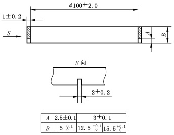
5.5 金屬環
金屬環如圖2所示。直徑方向上有兩個豁口,粉塵層熱電偶從豁口穿過。試驗期間金屬環應放在熱表面上的適當位置,不得移動。
單位為毫米

圖2 金屬環
5.6 干擾
如果金屬板(例如鋁)或金屬環與測試物質反應,則應選擇另一種不反應的金屬板或金屬環。
以上為標準部分內容,如需看標準全文,請到相關授權網站購買標準正版。